Описание
Экструдер MK8 является одним из наиболее популярных и распространенных типов экструдеров, используемых в 3D-принтерах с технологией FDM (Fused Deposition Modeling). Он отвечает за подачу и плавление пластиковой нити (филамента), обеспечивая равномерное и точное нанесение материала на печатную платформу для формирования трехмерного объекта.
Функциональное назначение
Основное назначение экструдера MK8 – это обеспечение стабильной и контролируемой подачи филамента в нагревательный блок, где он плавится и выдавливается через сопло для создания модели. Экструдер также отвечает за прижим филамента к приводному механизму (шестерне), что предотвращает проскальзывание и обеспечивает точность подачи.
Конструктивные особенности
Экструдер MK8 состоит из следующих основных компонентов:
- Корпус: металлический (обычно алюминиевый) корпус, обеспечивающий жесткость и защиту внутренних компонентов.
- Приводной механизм: шестерня (обычно металлическая), которая захватывает и продвигает филамент.
- Подшипники: шариковые или роликовые подшипники, обеспечивающие плавное вращение шестерни.
- Натяжной механизм: пружина или регулируемый винт, позволяющие настроить силу прижима филамента к шестерне.
- Нагревательный блок: металлический блок с нагревательным элементом и термодатчиком, обеспечивающий нагрев и контроль температуры филамента.
- Сопло: металлическое сопло с отверстием определенного диаметра, через которое выдавливается расплавленный филамент.
Преимущества экструдера MK8
- Простота конструкции: MK8 имеет простую и надежную конструкцию, что облегчает его сборку, обслуживание и ремонт.
- Доступность: MK8 является одним из наиболее доступных по цене экструдеров на рынке.
- Широкая совместимость: MK8 совместим с большинством 3D-принтеров, использующих технологию FDM.
- Большой выбор запчастей и модификаций: на рынке представлено множество запчастей и модификаций для MK8, что позволяет настроить его под конкретные потребности.
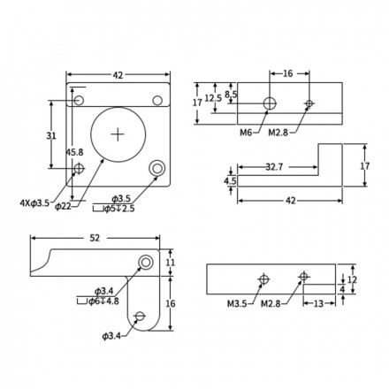
Характеристики
Отправляем во все регионы России, а также в Беларусь и Казахстан.
Бесплатная доставка при сумме заказа от 4000 руб.
Доступные варианты оплаты
Экструдер MK8 отзывы
| 0 | ||
| 0 | ||
| 0 | ||
| 0 | ||
| 0 |











